
电源
3.3V器件(AFND1208U1)2.7V〜3.6V
组织
存储单元阵列:(64M + 2M)x 8位
数据寄存器:(512 + 16)x 8位
自动编程和擦除
页面程序:(512 + 16)x 8位
块擦除:(16K +512)Bytes = 32pages
页面读取操作
页面大小:(512 + 16)Bytes
随机存取:15us(最大)
串行页面访问:30ns(最小)
快速写周期
编程时间:200us(Typ。)
块擦除时间:2ms(Typ。)CopyBack PROGRAM Operation
快速页面复制,无需外部缓冲
命令寄存器操作
-
安全功能
OTP区域,16KB(32页)
硬件数据保护
电源转换期间编程/擦除被锁定
数据的完整性
耐久性:100K编程/擦除周期(具有1bit / 528byte ECC)
数据保留期:10年
封装
AFND1208U1:无铅封装
48pin TSOP(12 x 20 / 0.5毫米间距
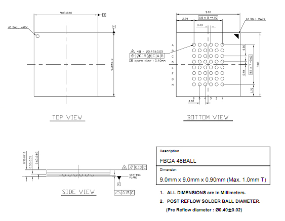
48Ball FBGA:9.0 x 9.0 x 1.0mm
工作温度
商业:0°C〜70°C
工业温度:40°C〜85°C
AFND1208U1为512Mbit,具有16Mbit的备用容量。该器件采用3.3V电源供电。
其NAND单元为固态海量存储市场提供了最具成本效益的解决方案。存储器分为可独立擦除的块,因此可以在擦除旧数据的同时保留有效数据。该器件包含4096个块,由32页组成,包括16个串联闪存单元的两个NAND结构。可以在528字节上以200us典型的速度执行编程操作,在16 KB块上以2 ms的典型速度执行擦除操作。页面中的数据可以30字节/字节的周期时间读出。 I / O引脚用作地址和数据输入/输出以及命令输入的端口。使用/ CE,/ WE,ALE和CLE输入引脚同步引入命令,数据和地址。每次操作期间,输出引脚R / B(漏极开路缓冲器)发出信号以指示设备状态。在具有多个存储器的系统中,R / B引脚可以全部连接在一起以提供全局状态信号。片上写控制可自动执行所有编程和擦除功能,包括在需要时进行脉冲重复以及内部验证和数据余量处理。通过为ECC(纠错码)提供实时映射输出算法,即使是写密集型系统也可以利用AFND1208U1扩展的100K编程/擦除周期可靠性。
该芯片可以提供/ CE无关功能。该功能允许微控制器从NAND闪存设备直接下载代码,因为/ CE转换不会停止读取操作。
回写功能可以优化缺陷块管理:当页面编程操作失败时,可以将数据直接编程在同一数组部分内的另一个页面中,而无需耗时的串行数据插入阶段。此外,该设备还包括其他功能,例如OTP区域,阻止机制,加电时自动读取,读取ID2扩展。
AFND1208U1是大型非易失性存储应用(例如固态文件存储和其他需要非易失性的便携式应用)的最佳解决方案。

48PIN铅/铅免费塑料薄型小外形包装类型(I)



| 引脚名称 | 引脚功能 |
| I/O0〜I/O7 | 数据输入/输出 I/O引脚用于输入命令,地址和数据,并在读取操作期间输出数据。取消选择芯片或禁用输出时,I/O引脚悬空至高阻z。 |
| CLE | 命令闩锁使能 CLE输入控制发送到命令寄存器的命令的激活路径。当高电平有效时,命令在/WE信号的上升沿通过I/O端口锁存到命令寄存器中。 |
| ALE | 地址锁存使能 ALE输入控制地址到内部地址寄存器的激活路径。 地址在ALE高电平时锁存在/ WE的上升沿 |
| /CE | 芯片使能 /CE输入是设备选择控件。当设备处于繁忙状态时,/CE高电平将被忽略,并且在编程或擦除操作中设备不会返回待机模式。关于读取操作期间的/ CE控制,请参见设备操作的“页面读取”部分。 |
| /RE | READ ENABLE /RE输入是串行数据输出控件,激活时将数据驱动到I/O总线上。数据在/RE下降沿之后有效tREA,这也会使内部列地址计数器加1。 |
| /WE | 写入使能 /WE输入控件写入I/O端口。命令,地址和数据在/WE脉冲的上升沿锁存。 |
| /WP | 写保护 /WP引脚在电源转换期间提供了意外的写/擦除保护。/WP引脚为低电平有效时,内部高压发生器复位。 |
| R/B | READY / BUSY输出 R/B输出指示设备操作的状态。为低时,表示正在进行擦除随机读取操作的程序,并在完成时返回高状态。它是开漏输出,当取消选择芯片或禁用输出时,它不会浮到高阻状态。 |
| Vcc | 电源 Vcc是设备的电源。 |
| VS | 地面 |
| N.C | 无连接 导线未在内部连接。 |


| I/O 0 | I/O 0 | I/O 0 | I/O 0 | I/O 0 | I/O 0 | I/O 0 | I/O 0 | ||
| 1st Cycle | A0 | A1 | A2 | A3 | A4 | A5 | A6 | A7 | Column Address |
| 2nd Cycle | A9 | A10 | A11 | A12 | A13 | A14 | A15 | A16 | Row Address |
| 3rd Cycle | A17 | A18 | A19 | A20 | A21 | A22 | A23 | A24 | (Page Address) |
| 4th Cycle | A25 | *L | *L | *L | *L | *L | *L | *L |
请至在线留言中,告诉我们您所需要的产品和其他相关信息,我们会尽快将资料及产品发给您!
电源
3.3V器件(AFND1216U1)2.7V〜3.6V
组织
存储单元阵列:(32M + 1M)x 16位
数据寄存器:(256 + 8)x 16位
自动编程和擦除
页面程序:(256 + 8)x 16位
区块擦除:(8K +256)字
页面读取操作
页面大小:(256 + 8)字
随机存取:15us(最大)
串行页面访问:30ns(最小)
快速写周期
编程时间:200us(Typ。)
块擦除时间:2ms(Typ。)CopyBack PROGRAM Operation
快速页面复制,无需外部缓冲
命令寄存器操作
-
安全功能
OTP区域,16KB(32页)
硬件数据保护
电源转换期间编程/擦除被锁定
数据的完整性
耐用性:100K编程/擦除周期(具有1bit / 528byte ECC)
数据保留期:10年
封装
AFND1216U1:无铅封装
48pin TSOP(12 x 20 / 0.5毫米间距)
48Ball FBGA:9.0 x 9.0 x 1.0mm
工作温度
商业:0°C〜70°C
工业温度:40°C〜85°C
AFND1216U1为256Mbit,备用容量为8Mbit。该器件采用3.3V电源供电。
其NAND单元为固态海量存储市场提供了最具成本效益的解决方案。存储器分为可独立擦除的块,因此可以在擦除旧数据的同时保留有效数据。该器件包含4096个块,由32页组成,包括16个串联闪存单元的两个NAND结构。编程操作可以在264字中以典型的200us执行,擦除操作可以在8K字块中以典型的2ms执行。页面中的数据可以30字节/字节的周期时间读出。 I / O引脚用作地址和数据输入/输出以及命令输入的端口。使用/ CE,/ WE,ALE和CLE输入引脚同步引入命令,数据和地址。每次操作期间,输出引脚R / B(漏极开路缓冲器)发出信号以指示设备状态。在具有多个存储器的系统中,R / B引脚可以全部连接在一起以提供全局状态信号。片上写控制可自动执行所有编程和擦除功能,包括在需要时进行脉冲重复以及内部验证和数据余量处理。通过为ECC(纠错码)提供实时映射输出算法,即使是写密集型系统也可以利用AFND1216U1扩展的100K编程/擦除周期可靠性。
该芯片可以提供/ CE无关功能。该功能允许微控制器从NAND闪存设备直接下载代码,因为/ CE转换不会停止读取操作。
回写功能可以优化缺陷块管理:当页面编程操作失败时,可以将数据直接编程在同一数组部分内的另一个页面中,而无需耗时的串行数据插入阶段。此外,该设备还包括其他功能,例如OTP区域,阻止机制,加电时自动读取,读取ID2扩展。
AFND1216U1是大型非易失性存储应用(如固态文件存储和其他便携式设备)的最佳解决方案

48引脚无铅/无铅塑料薄型小型外形封装类型(I)



| 引脚名称 | 引脚功能 |
| I/O0〜I/O15 | 数据输入/输出 I/O引脚用于输入命令,地址和数据,并在读取操作期间输出数据。取消选择芯片或禁用输出时,I/O引脚悬空至高阻z。 |
| CLE | 命令闩锁使能 CLE输入控制发送到命令寄存器的命令的激活路径。当高电平有效时,命令在/ WE信号的上升沿通过I/O端口锁存到命令寄存器中。 |
| ALE | 地址锁存使能 ALE输入控制地址到内部地址寄存器的激活路径。地址在ALE高电平时锁存在/ WE的上升沿 |
| /CE | 芯片使能 /CE输入是设备选择控件。当设备处于繁忙状态时,/CE高电平将被忽略,并且在编程或擦除操作中设备不会返回待机模式。关于读取操作期间的/CE控制,请参见设备操作的“页面读取”部分。 |
| /RE | READ ENABLE /RE输入是串行数据输出控件,激活时将数据驱动到I/O总线上。数据在/ RE下降沿之后有效tREA,这也会使内部列地址计数器加1。 |
| /WE | 写入使能 /WE输入控件写入I/O端口。命令,地址和数据在/WE脉冲的上升沿锁存。 |
| /WP | 写保护 /WP引脚在电源转换期间提供了意外的写/擦除保护。/WP引脚为低电平有效时,内部高压发生器复位。 |
| R/B | READY / BUSY输出 R/B输出指示设备操作的状态。为低时,表示正在进行擦除随机读取操作的程序,并在完成时返回高状态。它是开漏输出,当取消选择芯片或禁用输出时,它不会浮到高阻状态。 |
| Vcc | 电源 Vcc是设备的电源。 |
| VS | 地面 |
| 数控 | 无连接 导线未在内部连接。 |


| I/O 0 | I/O 0 | I/O 0 | I/O 0 | I/O 0 | I/O 0 | I/O 0 | I/O 0 | ||
| 1st Cycle | A0 | A1 | A2 | A3 | A4 | A5 | A6 | A7 | Column Address |
| 2nd Cycle | A9 | A10 | A11 | A12 | A13 | A14 | A15 | A16 | Row Address |
| 3rd Cycle | A17 | A18 | A19 | A20 | A21 | A22 | A23 | A24 | (Page Address) |
| 4th Cycle | A25 | *L | *L | *L | *L | *L | *L | *L |
请至在线留言中,告诉我们您所需要的产品和其他相关信息,我们会尽快将资料及产品发给您!